

Сувальдний механізм замка CLASS 10/S-60.3R14, BS60мм 23мм, хром (Китай)
371,28 ₴
Показати оптові ціни- В наявності
- Оптом і в роздріб
- Код: 234638
- +380 (63) 357-04-74Інтернет-магазин
Додатковий врізний замок CLASS 10/S-60.3R14 з відповідною планкою, хром
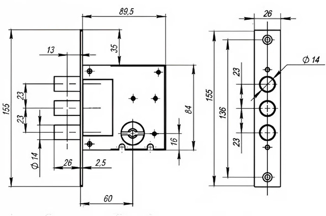
CLASS 10/S-60.3R14 — сувальдний замок, призначений для встановлення у дерев’яні та металеві двері товщиною 40–50 мм. Конструкція універсальна — монтаж можливий як у ліві, так і в праві двері. Замок відчиняється та зачиняється з обох боків ключем.
Корпус замка має цинкове покриття, лицьова планка — хромована. Виготовлений із міцних матеріалів та оснащений захисним покриттям. Запірний механізм включає три сталеві ригелі діаметром 14 мм з вильотом 26 мм, міжосьовою відстанню 23 мм між ригелями та Backset 60 мм

ТЕХНІЧНІ ХАРАКТЕРИСТИКИ
- Тип: врізний замок (додатковий)
- Довжина лицьової планки: 155 мм
- Backset: 60 мм
- Міжосьова відстань між ригелями: 23 мм
- Виліт ригелів: 26 мм
- Діаметр ригеля: 14 мм
- Універсальне встановлення: ліва / права двері

КОМПЛЕКТАЦІЯ:
- Механізм замка
- відповідна планка
- 5 ключів
CLASS — це надійний китайський виробник замків та фурнітури для побутового та господарського використання. В асортименті бренду — навісні, врізні та накладні замки, механізми різної форми та ступеня захисту.
Продукція CLASS виготовляється з міцних матеріалів (чавун, сталь, латунь) та орієнтована на практичне застосування: склади, ворота, комори, шафи й приміщення загального користування.
Замки вирізняються простою конструкцією, стабільною якістю та доступною ціною.
Бренд представлений на ринку понад 10 років та активно використовується в країнах Східної Європи й Азії.


| Основні атрибути | |
|---|---|
| Виробник | CLASS |
| Країна виробник | Китай |
| Вихід ригеля | 26 мм |
| Діаметр ригеля | 14 мм |
| Кількість ригелів | 3 |
| Матеріал замку | Сталь |
| Міжосьова відстань | 23 мм |
| Механізм секретності | Сувальдний |
| Відкриття блоку | Універсальне |
| Застосування замку | Металеві двері, Захисна конструкція, Дерев'яні двері |
| Розташування | Вертикальне |
| Стан | Новий |
| Тип замка | ригельна система запирання |
| Тип замикання | Додатковий |
| Тип встановлення замку | Врізний |
| Форма ригеля | Циліндрична |
| Додаткові | |
| Backset | 60 мм |
| Відкриття пристрою | Ключем |
- Ціна: 371,28 ₴



