

Сувальдний механізм замка CLASS 257L, BS60мм, хром (Китай)
524,79 ₴
Показати оптові ціни- В наявності
- Оптом і в роздріб
- Код: 231380
- +380 (63) 357-04-74Інтернет-магазин
Додатковий врізний замок CLASS 257L, BS60мм, хром
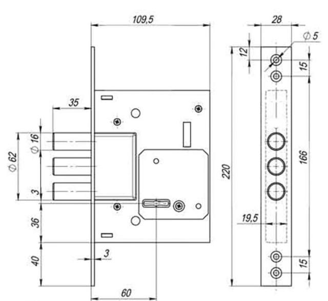
CLASS 257L — додатковий врізний замок із сувальдним механізмом, призначений для встановлення у вхідні металеві двері, гаражні ворота та складські приміщення. Замок є додатковим і використовується разом з основним. У зоні ключового отвору встановлена марганцева захисна пластина, яка запобігає висвердлюванню механізму.
Механізм має три круглі сталеві ригелі діаметром 16 мм з вильотом 35 мм. Торцева планка виконана з хромованим покриттям, яке захищає метал від корозії та надає акуратний зовнішній вигляд. Замок сумісний з моделями MUL-T-LOCK 257 та KALE 257.

ТЕХНІЧНІ ХАРАКТЕРИСТИКИ
- Тип встановлення — врізний
- Тип механізму — сувальдний
- Виліт ригелів — 35 мм
- Діаметр ригеля — 16 мм
- Backset (дорнмасс) — 60 мм

КОМПЛЕКТАЦІЯ:
- Механізм замка
- Відповідна планка
- 5 ключів
- Комплект саморізів із буром
- Упаковка
CLASS — це надійний китайський виробник замків і фурнітури для побутового та господарського використання. В асортименті бренду — навісні, врізні та накладні замки, механізми різної форми та ступеня захисту.
Продукція CLASS виготовляється з міцних матеріалів (чавун, сталь, латунь) та орієнтована на практичне застосування: склади, ворота, комори, шафи та приміщення загального користування.
Замки вирізняються простою конструкцією, стабільною якістю та доступною ціною.
Бренд представлений на ринку понад 10 років і активно використовується в країнах Східної Європи та Азії.


| Основні атрибути | |
|---|---|
| Виробник | CLASS |
| Країна виробник | Китай |
| Вихід ригеля | 35 мм |
| Діаметр ригеля | 16 мм |
| Кількість ригелів | 3 |
| Матеріал замку | Сталь |
| Механізм секретності | Сувальдний |
| Відкриття блоку | Універсальне |
| Застосування замку | Дерев'яні двері, Захисна конструкція, Металеві двері |
| Розташування | Вертикальне |
| Стан | Новий |
| Тип замка | ригельна система запирання |
| Тип замикання | Додатковий |
| Тип встановлення замку | Врізний |
| Форма ригеля | Циліндрична |
| Додаткові | |
| Backset | 60 мм |
| Відкриття пристрою | Ключем |
- Ціна: 524,79 ₴



