Mottura 3DKEY 3D797
Mottura 3D KEY 3D.797 – двосистемний багатофункціональний замок з можливістю установки циліндрового механізму.
3DKey – замок найвищої захищеності для сталевих дверей, спроектований і вироблений виключно на фабриці Mottura. Має шестереночный привід. Сумісний за розмірами і точок кріплення з основними замками для сталевих дверей, але перевершує за рівнем захищеності як замки з циліндровим механізмом, так і сувальдні замки.

3DKey має унікальний елемент – запатентоване змінне нуклео.

3DKey більш тонкий, ніж інші замки для сталевих дверей. Він має товщину 25 мм, що дає можливість більш широкого використання, а також додаткового посилення замку за допомогою марганцевистих пластин.
Ключ має шестикутні перетин з 3-ма кодованими поверхнями і 2-ма десмодромными доріжками.

3DKey забезпечує 10 мільярдів можливих кодових комбінацій (в 100 разів більше, ніж циліндровий механізм), захищене і контрольоване виготовлення дублікатів на фабриці Mottura.

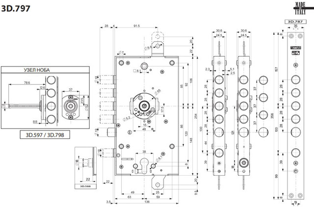
ТЕХНІЧНІ ХАРАКТЕРИСТИКИ
- Міжосьова відстань – 28 / 37 мм.
- 3 точки замикання – верхній.
- Видалення ключового отвору і ручки – 63 мм
- Хід тяг – 20 мм.
- Круглі ригелі – Ø 18 мм з ходом 28 мм.
- Позначення руху ключа.
- Засувка Ø 19 мм.
- Круглий ригель – Ø 18 мм з ходом 22 мм.
- Приводиться в дію ключем, кнобом і ручкою.
- З нуклео в комплекті (з отвором під поворотну ручку – кноб)..
- Нижній бічній циліндровий замок управляє ригелем Ø18 мм з ходом 22 мм і засувкою.
- Реверсивна заскочка.
- Замки можуть бути залежними (з блокуванням верхнього) і незалежними.
- Всі артикули ліві і праві (вказати в замовленні).

Mottura Serrature di Sicurezza s.p.a. займає провідне місце у виробництві циліндрів високої надійності Champions, замків для сталевих і дерев'яних дверей, побутових та готельних сейфів.
Компанія була заснована в Туріні, Італія в 1972 році. На сьогоднішній день дистриб'юторська мережа охоплює всю територію Італії і розвивається в більш ніж 60 найбільших країнах 5 континентів.
Широкий асортимент продукції включає вироби з різним рівнем захищеності, дозволяючи задовольнити всі запити споживачів. Постійно проводяться заходи по розробці нової продукції, автоматизації виробництва, лабораторних випробувань та аналізу продукції дозволяють підтримувати на самому високому рівні стандарти якості, передбачені системою UNI EN ISO 9001/2008.

| Основні атрибути | |
|---|---|
| Виробник | Mottura |
| Країна виробник | Італія |
| Міжосьова відстань | 37 мм |
| Застосування замку | Захисна конструкція, Металеві двері, Дерев'яні двері |
| Стан | Новий |
| Тип встановлення замку | Врізний |
| Додаткові | |
| Backset | 63 мм |
| Загальні | |
| Гарантійний термін | 24 міс |
| Користувальницькі характеристики | |
| Комплектація | 3 ключі |
- Ціна: 18 637,92 ₴











